by Matthew Wirth
Resin lives in a hostile world. It is under continual attack from hydraulic shock, chlorine and chloramines degradation, fouling (particulate and organic), oxidation, osmotic shock from the regeneration process and basic attrition from backwash. Over its lifetime, resin oxidizes, loses capacity and simply backwashes down the drain.

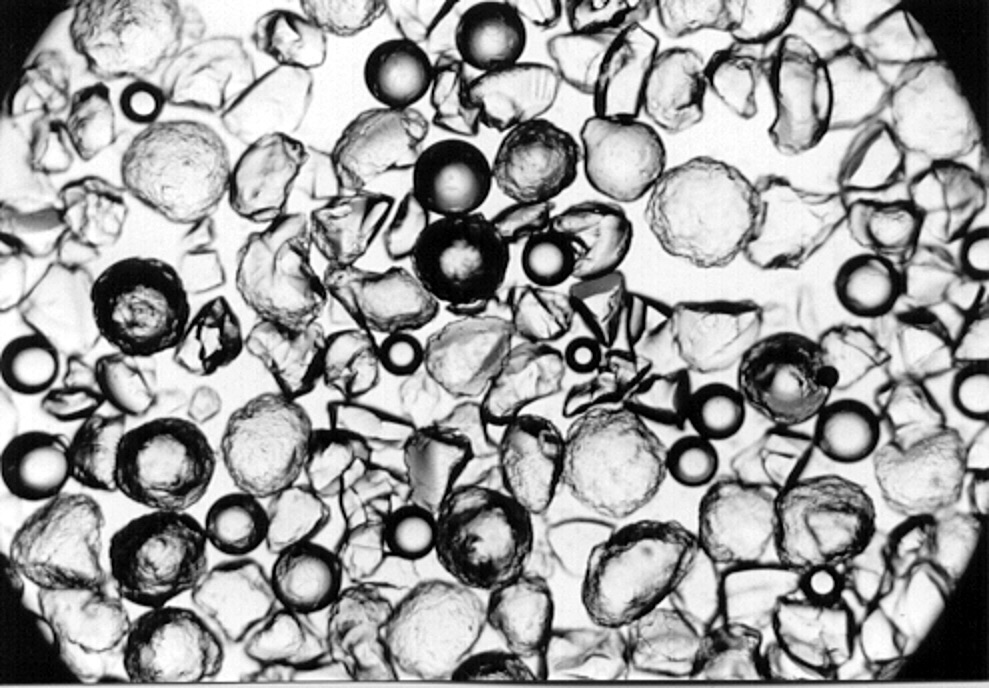
All these external forces at work on resin beads adversely affect how resin functions (Figure 1). In addition, less resin in the tank means fewer functional groups to attract hardness ions, creating reduced capacity.
Resin ages, as does everything and, therefore, system capacity diminishes over time. Understanding the conditions affecting resin helps troubleshooters find solutions to otherwise perplexing service issues.
There are many types of resins available to water professionals. Each type is designed for specific applications and conditions that affect its utilization. This discussion will concentrate on the most common: water softening polystyrene-type gel resin.
What is a resin bead?
Standard water softening resin beads somewhat resemble a ball of spaghetti, consisting of an extremely porous, skeletal structure or matrix (Figure 2). Most standard, sodium-cycle softening resins are polystyrene and divinylbenzene (DVB). These are the building blocks of a cation-softening resin bead. In the simplest terms, polystyrene is the framework material and DVB is the binding agent.
Softening resins used in a majority of softening applications are eight- or 10-percent DVB cross-linked beads. Crosslinking refers to the amount of DVB used in manufacturing. Again, in simple terms, DVB determines the strength of the beads.

How does resin work?
Ion exchange is not a surface phenomenon; 99 percent of ion exchange happens in the interior of the bead.1 Free ions diffuse onto fixed, immobile negative exchange sites (functional groups) as they pass through the bead matrix.

The beads will commonly range in size from 16 to 50 mesh (or 1.2 to 0.3 mm) for basic softening applications, which consist of approximately 50-percent moisture.
Mineral salts disassociate into ions in aqueous solutions (water) and are free to exchange with ions of like charge. These ions are mobile and free to move around. The surface of the polystyrene strands have affixed, negatively charged functional groups that attract free positively charged ions (remember, 99 percent of these functional groups are inside the resin bead).
Hardness ions (calcium and magnesium) enter the softener and flow through the resin beads, attaching to the functional groups and dislodging sodium/potassium ions. Water softeners work because this process is reversible.
How does regeneration work?
Think of regeneration as a mass transfer event. When exhausted, softening resin holds a finite mass of hardness ions. This mass is the resin’s capacity in grains of hardness—standard softening resin has published maximum capacity up to 40,000 grains.
The actual working capacity varies depending on brining levels for different applications. Some domestic-use softening applications can accept higher hardness leakage and may look to an efficiency capacity and use lower brining levels.
Industrial softeners often sacrifice capacity for lower hardness leakage and brine at higher levels. Always consult the manufacturer’s specifications and working curves to determine resin capacity, hardness leakage and brining.
To clear resin of hardness ions, the regeneration cycle flushes the resin beads with a volume of saline solution. For this discussion, one assumes the saline solution is sodium chloride. This solution must be of adequate strength to drive the ion exchange reverse reaction.

Softeners commonly use a 10-percent sodium chloride solution to regenerate the beads to their sodium state. This brine solution is concentrated enough to reverse the selectivity of sodium-cycle resin. A mass of salt brine enters the softener, builds in strength until a leading wave of 10-percent brine pushes through the resin and dislodges an equivalent amount of hardness ions.

Once the exchange is complete, the resin bed is in equilibrium. At this point, the resin bed contains a volume of unused sodium chloride brine that rinses to drain. Based on elution testing (measuring waste effluent from a column), one can find this point of equilibrium.
How does water hammer affect the process?
Hydraulic shock (water hammer) happens when water flow is suddenly interrupted. Keep in mind the most common lesson in physics: for every action, there is an equal and opposite reaction.
Water is a non-compressible fluid that flows through M copper pipes at a velocity not exceeding eight feet per second, according to ASTM B88M (Figure 3). At 8.3 pounds per gallon, the force exerted on resin beads is great. When the power of flowing water stops immediately, it creates a shock wave that transfers back through the plumbing system and slams into the resin bed.
The softener acts as a shock absorber in the plumbing system and takes enormous abuse. As beads become weak from age, the hammering action of the water cracks them (Figure 4), and the resulting pieces backwash out of the resin tank.
Newer houses and modern multi-unit residential housing have larger plumbing, high-flow fixtures and appliances that close quickly. Many commercial installations have equipment with fast-acting solenoid valves and large ball valves. All these contribute to hydraulic shock.
What is the lifespan of resin?
Ion exchange resin is basically porous plastic beads, susceptible to corrosive attack by strong oxidants, such as chlorine and chloramines. The presence of these oxidizers will shorten the working life of resin.



Depending on application and source water, resin life varies. Some resin manufacturers see gel-type, eight-percent softening resin life as a 10-to-15-year event.2 The presence of two-parts-per-million residual chlorine in a water system can cut the life expectancy of a standard softening resin in half (example 2Cl, 10 divided by two equals five years3).
Chlorine and chloramines degrade softening resin as it ages by oxidation and destroy the DVB crosslinking. As oxidants attack the beads, they swell and take on moisture. They become mushy (Figure 5). As they swell, pores and channels through the beads close and block access to the functional groups.
Divinylbenzene is the crosslinking agent that gives beads their physical strength—it is the mortar and styrene is the bricks. If the DVB is destroyed, the wall comes apart.
A quick sign that resin is in the advanced stages of chlorine degradation/oxidation damage is the ability to crush the beads between one’s fingers or in the palm of one’s hand. Another sign of resin breakdown is pressure loss. As the beads mush, they cause bed compaction and a resulting increased pressure drop during service flow.
Resin beads swell and contract as they exhaust and regenerate. Their design allows them to resist damage from this action, but external conditions weaken the bead making them susceptible to this stress (called osmotic shock).
Osmotic shock differs from hydraulic shock in that osmotic shock is the swelling and contacting of the bead, where hydraulic shock is the physical destruction of the bead by external water force (water hammer). Over time, beads will succumb to osmotic shock and eventually some will crack.
As the beads crack, they break apart and lose mass. Partial beads lift higher in the backwash process and can exit out the drain. One should note that even cracked and broken beads function.
Osmotic shock is one of the major contributors to normal resin attrition. In addition, broken bead particles increase pressure drop through a softener by tightening and/or compacting the bed surface, filling the void spaces with bead particulate.
There is nothing to prevent basic resin attrition, and many resin manufacturers look at resin life as a 10-year event. Over-brining and extremely fast rinse with fresh water accentuates swelling of the beads and contributes to greater cracking. Under conditions of high concentrations of brine (45 percent salinity or greater), water is drawn out of the bead due to osmosis, and the bead shrinks.
In an immediate fast-rinse scenario, water enters the bead in large amounts, causing it to swell, crack and possibly burst (Figure 6). This is the reason for the slow-rinse cycle; rinsing the resin bed slowly helps prevent this condition.
Remember that resin beads are a skeletal matrix; the interior of the beads is susceptible to plugging or fouling. One non-professional term for this condition is the fish-eye effect (Figure 7).
Because it takes more kinetic energy to push water through the center rather than around the sides of the bead, water-borne particulates, iron oxides and organics lodge in the center of the bead. The action of water eroding the edges of the bead creates a sphere of matter inside the bead
Why is iron a problem?
As discussed previously, ion exchange is not a surface event, but takes place inside the bead; therefore, the fish-eye effect limits the capacity of the system. It is difficult to correct this problem; once the interior of the bead plugs, resin cleaners cannot easily work through the bead and dislodge the matter ball.
Iron is a major contributor to this condition. When in its ferrous state, iron exchanges on the functional groups the same way as hardness. With the presence of an oxidizer, such as air, iron becomes ferric and attaches to the surface and in the interior of the bead.
Simple salt regeneration will not remove iron oxide (Fe+++) from the bead. When iron is present in the supply water, using a resin cleaner during regeneration helps prevent iron from fouling the resin beads. If a resin bed is beyond the point of cleaning, it is time to replace the resin.
Is there a better bead?
One way to combat resin attrition is to use a stronger bead. Divinylbenzene is the major contributor to bead strength. Resin is available with DVB content of two to 20 percent, but the higher the crosslinking, the more difficult it becomes to introduce functional groups. Fewer functional groups inside the beads result in less capacity. Eight- and 10-percent DVB crosslinking is common for standard softener operation.(2) Eight percent is usually less expensive than a 10-percent resin, though it may break down at a faster rate.
Ten-percent DVB resin yields a slight advantage of economics to eight percent when new, but holds its structure longer by resisting the effects of chlorine and other oxidizers. Additionally, 10-percent resin is stronger and less susceptible to hydraulic and osmotic shock. Over the life of the resin bed, 10 percent loses capacity at a much slower rate than eight percent, making 10-percent resin a better choice for waters containing oxidants, and systems with hydraulic-shock issues.
Conclusion
In the past, people believed that resin lasted forever. Today, we know this is not true. Resin becomes less efficient as it ages from external forces and simple attrition loss. Resin change-out is a maintenance item, and meter settings require adjustment as the system ages. Making end users aware of these aspects avoids future conflict; being aware of the signs of resin failure makes for a better service tech and a happier customer.
References
1. DeSilva, F., 1999. Essentials of Ion Exchange, Presented at the 25th Annual WQA Conference, ResinTech, New West Berlin, NJ.
2. Dow, 2000. Properties of Ion Exchange Resins, retrieved from the worldwide web December 26, 2009: www.rpi.edu/dept/chem-eng/Biotech-Environ/IONEX/resin.html
3. Michaud, C. and Brodie, D. Ion Exchange Resin Methods of Degradation, Water Conditioning and Purification Magazine, January 1990.
About the author
Matthew Wirth is Regional Sales Manager/Dealer Development for Hellenbrand, Inc. He has spent 29 years as a water professional since earning his BA from Concordia University in St. Paul, MN, and engineering training from the South Dakota School of Mines & Technology in Rapid City, SD. For additional information, contact Wirth by phone (608) 849-3050, fax (608) 849-7389 or email [email protected].